Product Search  :  Checkout  :  Home  :  Track Your Order
DEVILBISS MODEL 100E8AD OIL FREE AIR COMPRESSOR
Items: 0
Subtotal: $0.00
QUESTIONS?

QUESTIONS?

CALL US
Monday-Friday
8am - 5pm Pacific
 
1-877-218-0923
OR
EMAIL US!

support@apwdistributing.com

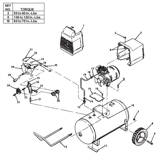
100E8AD DEVILBISS OIL FREE AIR COMPRESSOR BREAKDOWN

100E8AD DEVILBISS OIL FREE AIR COMPRESSOR BREAKDOWN

DEVILBISS MODEL 100E8AD AIR COMPRESSOR BREAKDOWN 
100E8AD DEVILBISS OIL FREE AIR COMPRESSOR PARTS LIST

100E8AD DEVILBISS OIL FREE AIR COMPRESSOR PARTS LIST

DEVILBISS MODEL 100E8AD AIR COMPRESSOR PARTS LIST

Some Part Numbers are No Longer Available
For Availability Please Call 1-888-279-9274

100E8AD DEVILBISS OIL FREE PUMP AND MOTOR BREAKDOWN

100E8AD DEVILBISS OIL FREE PUMP AND MOTOR BREAKDOWN

DEVILBISS MODEL 100EAD PUMP AND MOTOR BREAKDOWN
100E8AD Compressor/Pump/Motor Parts

100E8AD Compressor/Pump/Motor Parts

PRESSURE RELIEF VALVE (SKU: KK-4315)
AIR FILTER (SKU: DAC-143)AIR FILTER (SKU: DAC-143)
Copyright © Portable Power Equipment Vancouver, Washington